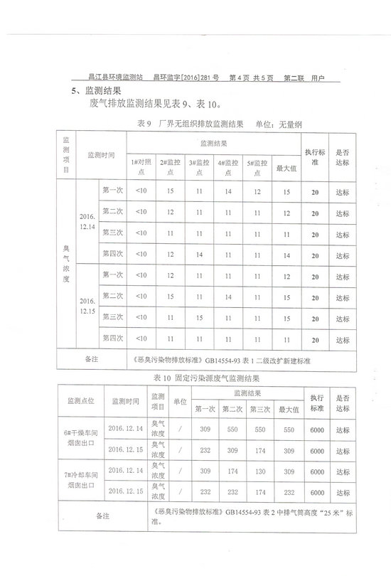
suncitygroup太阳集团天然橡胶产业集团金竹橡胶加工分公司东红橡胶厂环境监测报告 时间:2017-01-09 来源:suncitygroup太阳集团 Date:2017-01-09 Source:suncitygroup太阳集团 上一篇:suncitygroup太阳集团视频会议系统建设项目中标公示 下一篇:财富广场高档装修写字楼招租 Previous:suncitygroup太阳集团视频会议系统建设项目中标公示 Next:财富广场高档装修写字楼招租